
Вентилятор млинцевий ВМ 17-3 (тягодутьова машина)
Ціну уточнюйте
- В наявності
- +380 (97) 755-35-52ВЕНТС
- +380 (93) 619-99-76Система аспирации-циклон
- +380 (97) 755-31-23Электродвигатели
Здійснювальний пневматичний переміщення пилових вугільних частинок без вибухонебезпечних агресивних компонентів ВМ-17-3 вентилятор радіальний потрібний у різних галузях промисловості (металургії, системах приготування пилу та ін.). Це обладнання обладнане електродвигуном АІР355S4 (250 кВт 1500 об/хв). Температура переміщуваних дрібнильними вентиляторами газо-повітряних мас становить від -30 °C до +200 °C. Допустима кількість липких і абразивних частинок до 80 г/м3. Для встановлення агрегату підійдуть зони помірного клімату (діапазон температури -40 °C...+40 °C, вологість не більш ніж 80%).
Конструктивні характеристики
Обертання вентилятора право- або лівобічне. Корпус обертається на 270°. Завдяки оребренню равлика конструкція стійка до зношування. Основні матеріали під час виготовлення — неіржавка та вуглецева сталь.
Конструктивні складники:
- Корпус;
- Робоче колесо;
- Рама;
- Електродвигун;
- Всмоктувальний патрубок.
Аеродинамічні характеристики

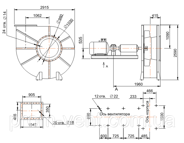
Габаритні та приєднувальні розміри


Щоб купити млинцевий вентилятор ВМ-17-3, зв'яжіть із менеджерами нашої компанії. Контакти для зв'язку розміщені на сайті. Доставка в будь-яку точку України, звертайтеся!
| Основні | |
|---|---|
| Мінімальна температура навколишнього середовища | -40 град. |
| Максимальна температура навколишнього середовища | 40 град. |
| Напрямок обертання | Праве, Ліве |
| Частота обертання | 1500 об/хв |
| Ступінь захисту IP | 54 |
| Стан | Новий |
| Тип димососу за принципом роботи | Вентиляторний |
| Тип відцентрового вентиляторного димотяга | Одностороннього всмоктування |
| Країна виробник | Україна |
| Максимальна температура димових газів | 200 град. |
| Тип вентиляторного димососа | Відцентровий |
| Гарантійний термін | 12 міс |
| Тип димососу по мобільності | Стаціонарний |
| Користувальницькі характеристики | |
| Напруга мережі | 380/660 |
| Продуктивність | 83630 |
| Максимальний робочий тиск | 6130 |
| Споживана потужність | 315 |
- Ціна: Ціну уточнюйте
- Спосіб упаковки: Наша компанія здійснює доставку всією Україною, співпрацюючи з такими перевезеннями, як Нова Пошта, Делівері, Інтайм, Нічний Експрес та інші. Вибирайте будь-який із варіантів, зручний для Вас.

