
Дмосос Д-15,5 з дв. 315 кВт/1000 об.мін Схема No3
Ціну уточнюйте
- В наявності
- +380 (97) 755-35-52ВЕНТС
- +380 (93) 619-99-76Система аспирации-циклон
- +380 (97) 755-31-23Электродвигатели
Застосування димососа Д-15,5 з дв. 315 кВт/1000 об.мін.
Дмососи цієї серії, що є витяжними пристроями в системі повітряного опалення, вентиляції, пилооочисальних установках у металургії, теплоенергетиці, характеризуються однобічним всмоктуванням. Головне завдання димососа Д-15,5 з дв. 315 кВт/1000 об.мін. полягає в утилізації газо-димових сумішей із топок різноманітних котлів. Димосос серії Д (ВД) призначений для роботи з коляторними установками, як-от парові, водогрівні, газомазовнішні.
Головні характеристики димососів Д-15,5 (ВД-15,5)
- Робоче колесо димососа Д-15,5 (ВД-15,5), що складається з 32 вигнутих вперед лопаток, має правостороннє та лівобічне обертання;
- Форма пристрою спіральна;
- Спеціальне просочення, у якому покритий корпус димососа, забезпечує корозійостійкість і захист від впливу різних пошкоджень;
- Дмососи серії Д (ВД) обладнані високоефективним потужним електродвигуном;
- Агрегат розміщується в помірному кліматі під навісом або в приміщенні;
- Конструктивне вироблення No3 (робочого колеса кріпиться до двигуна через підшипниковий вузол).
Матеріали виготовлення димососа серії Д (ВД)
- Вуглецева сталь (виповнення загальнопромислове);
- Неіржавка сталь (встановка здійснюється в корозійостійкому варіанті);
- Різноманітні метали (вибухозахищений тип виконання).
Купити димосос Д-15,5 з дв. 315 кВт/1000 об.мін. у Києві (Україна).
Аеродинамічні характеристики, димос Д-15,5 з дв. 315 кВт 1000 об/хв Схема No3

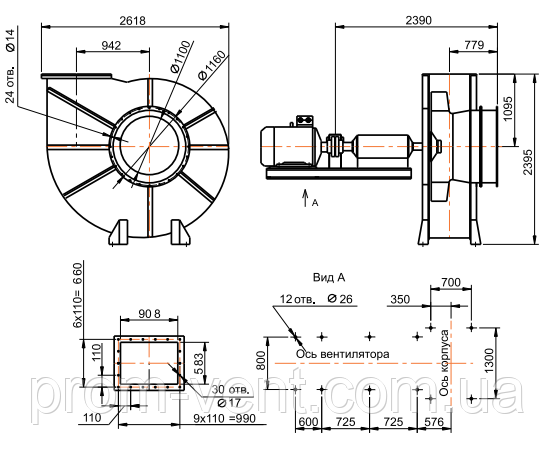
Габаритні розміри, димос Д-15,5 з дв. 315 кВт 1000 об/хв Схема No3

| Основні | |
|---|---|
| Мінімальна температура навколишнього середовища | -40 град. |
| Максимальна температура навколишнього середовища | 40 град. |
| Частота обертання | 1000 об/хв |
| Напруга мережі | 380~400 В |
| Частота струму | 50 Гц |
| Тип димососу за принципом роботи | Вентиляторний |
| Тип відцентрового вентиляторного димотяга | Одностороннього всмоктування |
| Країна виробник | Україна |
| Максимальна температура димових газів | 250 град. |
| Тип вентиляторного димососа | Відцентровий |
| Гарантійний термін | 12 міс |
| Максимальна запиленість повітря | 200 мг/куб.м |
| Габаритні розміри | |
| Діаметр робочого колеса | 1550 мм |
- Ціна: Ціну уточнюйте
- Спосіб упаковки: Наша компанія здійснює доставку всією Україною, співпрацюючи з такими перевезеннями, як Нова Пошта, Делівері, Інтайм, Нічний Експрес та інші. Вибирайте будь-який із варіантів, зручний для Вас.

