
Дмосос Д-12,5 з дв. 110 кВт/1000 об.мін Схема No3
Ціну уточнюйте
- В наявності
- +380 (97) 755-35-52ВЕНТС
- +380 (93) 619-99-76Система аспирации-циклон
- +380 (97) 755-31-23Электродвигатели
Дмосос Д-12,5 з дв. 110 кВт/1000 об. хв, застосування й основні відомості
Основне завдання димососа Д-12,5 (ВД-12,5) — відведення газоподібних та інших твердих сумішей із топок парових, водогрівних і газомазутних котлів. Активна система золоуловлювання в димососах має бути ефективною. Димосос серії Д (ВД) використовується в різних сферах (ТЕС, металургія, хімічна промисловість).
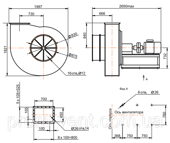
Дмосос Д-12,5 з дв. 110 кВт/1000 об. хв. однобічного всмоктування виготовлений за конструктивною схемою No3 (робоче колесо з'єднано з двигуном за допомогою підшипникового вузла). Для виготовлення спірального поворотного корпусу вентилятора тягодутєвого Д (ВД) застосована міцна листова сталь. 32 лопаті в робочому колесі вигнуті вперед. Корпус правосторонний и левосторонний.
Димосос серії Д (ВД), типи виконання
- Загально промислений варіант (з вуглецевої сталі);
- Корозійкий (матеріал виготовлення — неіржавка сталь);
- Вибухозахищене (виробляється з різнорідних металів).
Умови експлуатації
- Температурний показник всмоктуваного в димосос газу — не вище ніж +250 °C;
- Показники робочої температури коливаються від -40 °C до +40 °C;
- Допустима межа запиленості — до 2 г/м3;
- Температурний показник під час запуску встановлення — не менш ніж 30 °C.
Купити димосос Д-12,5 з дв. 110 кВт/1000 об.мін. у Києві (Україна).
Аеродинамічні характеристики, димос Д-12,5 з дв. 110 кВт 1000 об/хв Схема No3

Габаритні розміри, димос Д-12,5 з дв. 110 кВт 1000 об/хв Схема No3

| Основні | |
|---|---|
| Мінімальна температура навколишнього середовища | -40 град. |
| Максимальна температура навколишнього середовища | 40 град. |
| Частота обертання | 1000 об/хв |
| Напруга мережі | 380~400 В |
| Частота струму | 50 Гц |
| Тип димососу за принципом роботи | Вентиляторний |
| Тип відцентрового вентиляторного димотяга | Одностороннього всмоктування |
| Країна виробник | Україна |
| Максимальна температура димових газів | 250 град. |
| Тип вентиляторного димососа | Відцентровий |
| Гарантійний термін | 12 міс |
| Максимальна запиленість повітря | 200 мг/куб.м |
| Габаритні розміри | |
| Діаметр робочого колеса | 1250 мм |
- Ціна: Ціну уточнюйте
- Спосіб упаковки: Наша компанія здійснює доставку всією Україною, співпрацюючи з такими перевезеннями, як Нова Пошта, Делівері, Інтайм, Нічний Експрес та інші. Вибирайте будь-який із варіантів, зручний для Вас.

