Циклони серії ЛІОТ, основні функції
Для грубої та середньої фільтрації повітря від сухого зернового пилу використовують циклони ЛІОТ-4. В очищуваних циклоном серії ЛІОТ газо-повітряних сумішей виключена наявність волокнистого та липкого пилу. Завдяки простій конструкції пилоуловлювального пристрою його надійність і практичність гарантована. Циклон для зернового пилу ЛІТ, що застосовується на елеваторах, комбікормових заводах, у зерносховищах та інших сільськогосподарських сферах, характеризується високим показником очищення (100%).
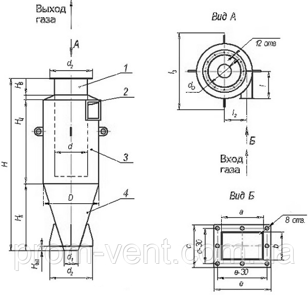
Циклон ЛІОТ-4, особливості конструкції
Циклон для очищення повітря виготовлений із чорного металу. Всі шви агрегату зварні. Для того, щоб приєднати вхідні та вихідні патрубки, використовуються спеціальні фланці. Циклон для зернового пилу ЛІОТ-4 з правостороннім і лівобічним обертанням обробляється всередині та зовні ґрунтовкою. Для того, щоб забезпечити продуктивніше вловлювання пилу, циклони для зернового пилу монтують як батарейне встановлення, до якого входять 2, 4, 6 або 8 окремих циклону.
Циклон для зернового пилу ЛІОТ-4, монтаж
Циклони для зернового пилу ЛІОТ-4 встановлюються спільно з вентилятором, який розміщується перед або за ними. У разі незначних об'ємів абразивних речовин вентиляційне встановлення монтується перед циклоном. За наявності розкручувача вентилятор можна розмістити після пилоуловлювального агрегату.
Для того, щоб в системі аспірації зробити переміщення повітря або більших елементів, застосовують також:
- відцентрові вентилятори середнього тиску (призначені для відведення повітря й газу);
- промислові вентилятори виробництва Україна (виведення газу та повітря);
- димососи (транспортування диму та газу).
Купити циклон ЛІОТ-4 у Києві (Україні).
Для отримання докладнішої інформації зв'язуйтеся з нами за номерами, розміщеними на сайті. Пропонуємо купити циклон ЛІОТ-4 за вигідною ціною. Ми також пропонуємо паспорт або чертеж (габаритні розміри) на циклони ЛІОТ.
Габаритні розміри, циклон ЛІОТ-4


| Габаритні розміри | |
|---|---|
| Висота | 3455 мм |
| Діаметр | 1119 |
| Основні | |
| Вага | 280 кг |
| Ступінь очищення повітря | 100 % |
| Країна виробник | Україна |
| Продуктивність | 6700 куб.м/год |
| Гарантійний термін | 12 міс |
| Робочий тиск | 798 Па |
| Межа забруднення | 400000 мг/м3 |
| Максимальна температура переміщуваного повітря | 400 °З |
| Оптимальна швидкість | 1.5 м/с |
| Користувальницькі характеристики | |
| Максимальна температура навколишнього середовища | -40 |
| Мінімальна температура навколишнього середовища | 40 |
- Ціна: Ціну уточнюйте
- Спосіб упаковки: Наша компанія здійснює доставку всією Україною, співпрацюючи з такими перевезеннями, як Нова Пошта, Делівері, Інтайм, Нічний Експрес та інші. Вибирайте будь-який із варіантів, зручний для Вас.


