
Відцентровий вентилятор ВЦ 4-75 No8 з дв. 11 кВт 1500 об./хв
39 800 ₴
- В наявності
- Оптом і в роздріб
- +380 (97) 755-35-52ВЕНТС
- +380 (93) 619-99-76Система аспирации-циклон
- +380 (97) 755-31-23Электродвигатели
Вентилятор ВЦ 4-75 No 8 з дв. 11 кВт 1500 об., використання
Цей радіальний вентилятор низького тиску з відцентровим колесом ефективно циркулює повітря й газоповітряні суміші, що виключають у своєму складі тверді, волокнисті та злипні частинки.
Від матеріалу, що застосовується в конструкції вентилятора ВЦ 4-75 No 8залежить його використання.
ВЦ 4-75 ще має старе маркування (аналоги): ВЦ 89-75 №8, ВР 88-72 №8, ВР 80-70-№8, ВР 4-70 №8, ВР 4-76 №8.
З огляду на ТУ У 29.2 00909779-002-2009, є кілька типів виготовлення вентилятора цієї моделі:
- Для виготовлення вентилятора ВЦ 4-75 No 8 загальнопромислового призначення застосовується вуглецева сталь. Основне завдання такого вентилятора — переміщати повітря та суміші без агресивних властивостей;
- З неіржавкої сталі виробляється корозійний вентилятор. Він переміщує повітряні маси без агресивного та негативного впливу на конструктивні елементи вентиляційного встановлення;
- Вибухозахищений вентилятор, під час конструювання якого використовуються алюмінієві сплави, застосовується в приміщенні, робоче середовище яких знижує стійкість матеріалу вентилятора до корозії;
- Вентилятор-равлик ВЦ 4-75 No 8 з різнорідних металів, що також має вибухозахищеність, переміщує газові та парові маси, у яких немає агресивних забруднень.
Для того, щоб купити ВЦ 4-75 No 8 з дв. 11 кВт 1500 об., а також уточнити всі цікаві Вас нюанси, телефонуйте нам або пишіть. Всі контакти розміщені на сайті нашої компанії.
Конструкція ВЦ 4-75 No 8 з дв. 11 кВт 1500 об. складається з таких елементів:
- Поворотного спіралеподібного корпусу;
- Відцентрового робочого колеса;
- Станини;
- Повітряного колектора;
- Електродвигуна.
Купити вентилятор низького тиску ВЦ 4-75 No 8 з дв. 11 кВт 1500 об. в Киеве (Украине)
Схема положення та поворот корпусу вентилятора ВЦ 4-75 No 8 (з боку всмоктувального отвору)

Аеродинамічні характеристики, вентилятор ВЦ 4-75 No8 з дв.11 кВт 1500 об./хв

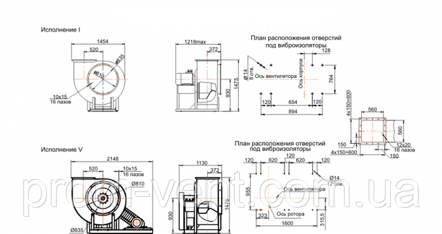
Габаритні розміри, вентилятор ВЦ 4-75 No8 з дв.11 кВт 1500 об./хв

| Основні | |
|---|---|
| Мінімальна температура навколишнього середовища | -40 град. |
| Максимальна температура навколишнього середовища | 70 град. |
| Максимальна запиленість повітря | 100 мг/куб.м |
| Частота струму | 50 Гц |
| Тип конструкції промислового вентилятора | Радіальний(Відцентровий) |
| Вага | 443.5 кг |
| Країна виробник | Україна |
| Продуктивність | 20000 куб.м/год |
| Гарантійний термін | 12 міс |
| Напруга мережі | 380~400 В |
| Частота обертання | 1500 об/хв |
| Коефіцієнт корисної дії | 87.1 % |
| Тип каналу | Круглий |
- Ціна: 39 800 ₴
- Спосіб упаковки: Наша компанія здійснює доставку всією Україною, співпрацюючи з такими перевезеннями, як Нова Пошта, Делівері, Інтайм, Нічний Експрес та інші. Вибирайте будь-який із варіантів, зручний для Вас.

