
Відцентровий вентилятор ВЦ 4-75 No8 з дв. 2,2 кВт 1000 об./хв
32 150 ₴
- В наявності
- Оптом і в роздріб
- +380 (97) 755-35-52ВЕНТС
- +380 (93) 619-99-76Система аспирации-циклон
- +380 (97) 755-31-23Электродвигатели
Загальні характеристики ВЦ 4-75 No 8 з дв. 2,2 кВт 1000 об.
- Має низький тиск;
- Вирізняється однобічним всмоктуванням повітря;
- Складається зі спірального поворотного корпусу;
- Робоче відцентрове колесо вентилятора ВЦ 4-75 No 8 має 12 лопаток, які загнуті назад
- Колесо може обертатися як у лівобічному, та й у правобічному порядку;
- Конструювання ВЦ 4-75 No 8 произведено згідно з ТУ У 29.2 00909779-002-2009.
Під час виробництва вентилятора відцентрового низького тиску може бути застосований кілька матеріалів — неіржавка або вуглецева сталь, різнорідні метали або сплави алюмінію.
Як відомо, основне завдання цього відцентрового вентилятора полягає в переміщенні повітря, а також мас газо- та пароповітряного характеру першої й другої категорій Т1, Т2 і Т3 груп. Ці суміші не мають агресивно впливати на конструктивні елементи вентилятора, викликаючи його корозію, а також не рекомендована наявність у них волокнистих, твердих і липких субстанцій.
Вентилятор-равлик ВЦ 4-75 No 8, зазвичай, належить до загальнопромислового типу (для запуску вентиляційного механізму застосовується загальнопромисловий асинхронний електродвигун марки АІР). У такому разі, переміщувана вентилятором суміш не має складатися з вибухових елементів. Під час встановлення вентилятора у вибухобезпечному місці двигун також має бути вибухозахищеним.
Ви маєте можливість купити ВЦ 4-75 No 8 з дв. 2,2 кВт 1000 об. у будь-якому виконанні. Для цього зателефонуйте нам або пишіть.
ВЦ 4-75 ще має старе маркування (аналоги): ВЦ 89-75 №8, ВР 88-72 №8, ВР 80-70-№8, ВР 4-70 №8, ВР 4-76 №8.
Купити вентилятор низького тиску ВЦ 4-75 No 8 з дв. 2,2 кВт 1000 об. в Киеве (Украине)
Схема положення та поворот корпусу вентилятора ВЦ 4-75 No 8 (з боку всмоктувального отвору)

Аеродинамічні характеристики, вентилятор ВЦ 4-75 No8 з дв.2,2 кВт 1000 об./хв

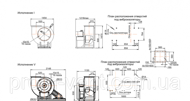
Габаритні розміри, вентилятор ВЦ 4-75 No8 з дв. 2,2 кВт 1000 об./хв

| Основні | |
|---|---|
| Мінімальна температура навколишнього середовища | -40 град. |
| Максимальна температура навколишнього середовища | 70 град. |
| Максимальна запиленість повітря | 100 мг/куб.м |
| Частота струму | 50 Гц |
| Тип конструкції промислового вентилятора | Радіальний(Відцентровий) |
| Вага | 383.3 кг |
| Країна виробник | Україна |
| Продуктивність | 11000 куб.м/год |
| Гарантійний термін | 12 міс |
| Напруга мережі | 380~400 В |
| Частота обертання | 1000 об/хв |
| Коефіцієнт корисної дії | 77.1 % |
| Тип каналу | Круглий |
- Ціна: 32 150 ₴
- Спосіб упаковки: Наша компанія здійснює доставку всією Україною, співпрацюючи з такими перевезеннями, як Нова Пошта, Делівері, Інтайм, Нічний Експрес та інші. Вибирайте будь-який із варіантів, зручний для Вас.

